2020中文字字幕在线不卡,老鸭窝97久久久久精品,亚洲第一狼人天堂网亚洲AV,一个人的在线观看WWW免费

Welcome: Quzhou Yongquan Measure Co., Ltd.
Language: Chinese ∷  English

Welding machine Shunt Series

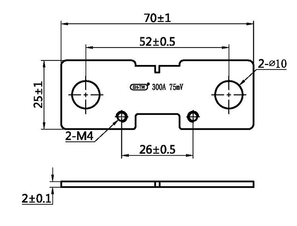
  • Sheet type 300A 75mV  shunt
Sheet type 300A 75mV  shunt

Sheet type 300A 75mV shunt

  • .Rated voltage range:25mV~100mV
  • .Environmental conditions:-40~+80℃,relative humidity:≤80%(35℃)
  • .Temperature rise: Electrify the shunt with rated current for 2hr, test it after temperature rising stable, the temperature rise should be≤80K when the rated current under 100A; and should be ≤120K when the rated current higher than 100A.
  • .Overload performance: 120% of rated current for 2hours.
  • .Temperature coefficient: ≤40ppm
  • INQUIRY


1. Use: The fixed shunt is used to extend the measuring current range of meters.
2.Application:Inverter, Servo-drive Motor, Wind Power, Photovoltaic New Energy, Switching Power Supply, Power Supply, Telecomm Power Supply, Smart Grid, Instrumentation, CNC Machine tools, Injection Molding Machine, Elevator, Robot, Electric Locomotive, Automobile, Motorcycle, Welding Equipment and other industries.
3.Main Technology parameters:
1)Rated voltage range:
2)Environmental conditions: -25 ~ +40 ℃, relative humidity≤80% (35℃)
3)Temperature rise: Electrify the shunt with rated current for 2hr, test it after temperature rising stable, the temperature rise should be≤80K when the rated current under 100A; and should be ≤120K when the rated current higher than 100A.
4)Overload performance: 120% of rated current for 2hours.
5)Thermoelectric potential influence: no higher than 50% of the index level.
4.Applicable standards:
GB/T7676-1998《Direct-acting Indicating Analogue Electrical Measuring Meters and Accessories》
(IEC 51-9《Direct-acting Indicating Analogue Electrical Measuring Meters and Accessories Section 9: Recommended test method》)
JB/T9288-1999《Enclosed Shunt》
IEC610101-1:2001《Safety Requirements for Electrical Equipments of Measuring, Controlling and Lab using》
SJ/T11363-2006《Limit Requirements for Toxic and Harmful Substances in Electronic Information Products》

Specification download:

CONTACT US

Quzhou Yongquan Measure Co., Ltd.

Add: No. 284 Sanqu Road, Kecheng District, Quzhou City, Zhejiang, China.

Tel: +86-570-3867658, +86-13362018809

Fax: +86-570-3867458

E-mail: saleshunt@163.com